| 가용성 상태: | |
|---|---|
| 수량: | |
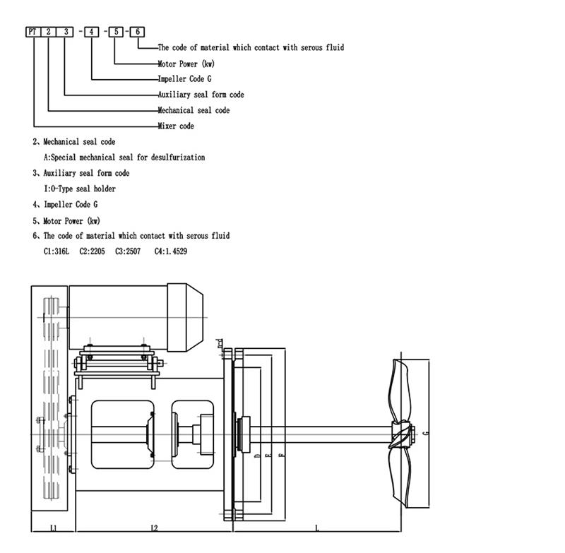
사이드 엔트리 믹서 배가스 탈황(FGD)
교반기는 부품으로 FGD(배연탈황) 플랜트의 핵심은 플랜트 전체 운영에 중요한 역할을 합니다.FGD 플랜트는 발전소 및 산업 공정에서 배출되는 배가스에서 이산화황(SO2)을 제거하도록 설계되었습니다.
교반기는 일반적으로 모터, 감속기, 베어링, 교반 샤프트 및 임펠러 등으로 구성되며 다양한 배연 탈황 시스템 및 작동 조건에 적응할 수 있습니다.
제품 세부 정보
| 모터 브랜드 | 선택사양(ABS/SEW/SIEMENS/국내고품질) |
| 감속기 브랜드 | 선택사양(ABS/SEW/FALK/REXNORD/국내 고급) |
| 모터 파워 | 0.37~110KW |
| 다이아.샤프트의 | 30~500mm |
| 샤프트 길이 | 200~30000mm |
| 회전 속도 | 0.2~600rpm |
| 임펠러 | 효율적인 기존 임펠러 |
| 재료 | 탄소강, 니켈 기반 합금, 듀플렉스 및 슈퍼 듀플렉스 강, 티타늄 및 티타늄 합금, 고무 코팅, PO, PE, PP, PTFE |
애플리케이션:
교반기는 배연 탈황 공정에 널리 사용됩니다.예를 들어,
1. 습식 배연 탈황에서 교반기는 탈황제와 배가스를 혼합하는 데 도움을 주어 탈황 효율을 향상시킬 수 있습니다.
2. 건식 배연 탈황에서 교반기는 탈황제를 혼합 및 분산시켜 탈황 효율을 향상시키는 데 도움이 될 수 있습니다.
3. 엔지니어와 기술자가 탈황 공정을 최적화 및 자동화하고 탈황 효율성과 수율을 향상시키는 데 도움이 될 수 있습니다.
4. 탈황제 사용량을 줄이고 탈황비용을 절감하며 환경보호에 기여할 수 있습니다.
귀하의 요구 사항에 따라 믹서를 맞춤 설정할 수 있습니다!
Keheng 교반기 사용 가득 차있는 나무 상자 포장, 후에 측정, 무게 측정, 강화 단계 공장에서는 검사를 위해 특정 항구 창고에 자격을 부여하고 층별 검사를 수행합니다.
Keheng의 해외 배송 방법은 일반적으로 CIF, CFR 또는 FOB이며 고객으로부터 선불금을 받은 후 1개월에서 1개월 반 이내에 상품 배송을 보장합니다.
현장 서비스
KEHENG은 거의 30년의 경험을 가지고 있습니다.우리 회사는 현장 진단 및 수리 서비스를 제공할 수 있습니다.기술 팀은 귀하의 혼합 작업을 지원하기 위해 다양한 현장 유지 관리 옵션을 제공합니다.
설치: 고객 사양에 따르면
현장상담 및 수리: KEHENG은 현장 수리 진단 서비스를 제공합니다.현장에서 문제를 해결할 수 없는 경우 장비를 당사 검사 및 수리 부서로 반송할 수 있습니다.
사전 정비: 모든 기계는 나가기 전에 엄격한 검사를 통과해야 합니다.KEHENG은 혼합 솔루션과 장비의 최고 성능을 보장하기 위해 진단 및 벤치마크 테스트를 제공할 것입니다.
기타 서비스: KEHENG는 귀하의 재건 프로젝트를 위한 새로운 혼합 솔루션과 장비를 제공할 수 있습니다.
수리 서비스
KEHENG은 상단 입구 믹서 드라이브를 수리하기 위한 가장 포괄적인 분석 및 옵션을 제공하며 검사 및 수리 프로그램은 다음을 제공합니다.
1. 신뢰성 및 신뢰성 향상
2. 엄격한 사양을 충족하는 고품질 수리
3. 장비 수명 연장
믹서 드라이브의 모든 부품을 철저하게 청소하고 검사하여 고장의 실제 근본 원인을 파악합니다.수리를 위한 계층화된 옵션과 함께 자세한 보고가 제공됩니다.고객은 자신의 운영 요구에 맞는 적절한 수리를 선택합니다.선택한 수리 옵션에 따라 보증이 제공됩니다.
해결될 수 있는 일반적인 문제는 다음과 같습니다.
1. 기계적 피로
2. 혼란스러운 상황
3. 충격하중
4. 프로세스 변경
5. 임펠러 밸런스
고객 서비스
1. 모든 KEHENG 고객은 판매 전후에 지원과 제안을 받게 됩니다.
2. KEHENG이 제공하는 서비스는 고객이 가장 적합한 제품을 선택할 수 있도록 돕는 것을 목표로 합니다.
3. KEHENG은 계획, 설치, 교육, 문제 제거, 유지 관리 및 수리, 혁신 및 현대화 등 고객이 제품을 올바르게 사용할 수 있도록 돕습니다.
4. KEHENG 제공: 예비 부품 공급, 기술 개발 및 최신 기술, 고객 재고 최적화 및 예비 부품 추천.
기술적 지원
KEHENG는 풍부한 경험과 광범위한 지식을 갖춘 응용 엔지니어로 구성된 전체 직원을 보유하고 있습니다.우리 기술팀은 기술 지원 엔지니어, 제품 설계 및 개발 엔지니어로 구성되어 있습니다.이들은 신속하고 신뢰할 수 있는 서비스와 조언을 제공할 수 있는 전문 지식과 기술을 갖추고 있습니다.그들은 영업 엔지니어와 협력하여 의사소통을 완료할 것입니다.응용 엔지니어는 드라이브 유형, 드라이브 비율, 모터 장착 요구 사항, 드라이브 장착 요구 사항, 기계적 씰 및 모터와 같은 특수 항목, 교반기 샤프트, 임펠러 허브 및 임펠러 블레이드 세부 정보를 지정할 수 있습니다.
필요한 경우, KEHENG은 귀하의 직원이 특정 KEHENG 장비의 특징을 숙지하고 자격을 갖추도록 하기 위해 다음과 같은 교육 및 지침을 지원할 수 있습니다.
1. 운영교육
2. 유지보수 교육
3. 프로세스 교육
JiangSu KeHeng Petrochemical & Electrical Machinery Co., Ltd는 1989년에 설립되었으며 전문 R&D, 설계, 제조 및 설치를 전문으로 하는 하이테크 기업입니다.주로 종사 석유화학 가열로, 폐열 회수 시스템, 발전소 탈황 설비, 폐수 처리 시스템, 믹서 등. 제품은 중국 전역에 판매되며 동남아시아, 유럽, 아프리카, 중동, 일본, 인도, 카자흐스탄, 터키 및 기타 여러 국가로 수출됩니다.
KeHeng은 독립적인 R&D 센터와 완벽한 제품 테스트, 검사 장비. 수년간 끊임없는 혁신을 통해 이상을 수상하였습니다. 30 공익사업 모델 특허와 5 국가특허청의 발명특허. 지금까지 KeHeng 가지다 예를 들어 여러 대기업 및 산업 그룹의 공급망에서 자격을 갖춘 공급업체가 됩니다. 페트로차이나, 시노펙, CNOOC 등.
품질로 시장선점, 기업명성으로 고객 확보
무결성 - 우리의 기반의 기초입니다.개발 - KeHeng의 영원한 추구.
제품 품질
당사의 모든 믹서는 ISO9001 품질 표준에 따라 특수 맞춤형 시설에서 제조되며 제작 시 고품질 구성 요소만 사용됩니다.
주문 설계
우리의 전문 기술 팀은 귀하의 요구 사항에 따라 가장 적합한 믹서를 설계하여 사용 가치를 극대화할 수 있습니다.
P로젝트 M관리
우리는 전담 프로젝트 관리자를 배정하여 제조, 조립 및 품질 관리의 모든 측면이 개별 고객 사양을 충족하도록 진행되도록 합니다.
고객 서비스
모든 KEHENG 고객은 판매 전후에 지원과 제안을 받게 됩니다.고객이 제품을 올바르게 사용할 수 있도록 도와드립니다: PLAN、설치、훈련、문제 제거、유지보수 및 수리、혁신과 현대화.
Q : 무역 회사입니까 아니면 제조업체입니까?
A: 우리는 제조업체입니다.우리 공장은 장쑤성에 있습니다. Q: 교반기와 믹서를 맞춤 설정하는 방법은 무엇입니까? A: 우리에게 응용 프로그램 매개변수를 보내거나 우리가 제공한 양식을 작성하면 우리는 귀하와 귀하의 비즈니스에 가장 적합한 제품을 선택하거나 디자인할 것입니다. Q: 생산 리드타임은 얼마나 되나요? A: 일반적으로 30일입니다.선택할 특정 모터 브랜드가 있는 경우 리드 타임이 다를 수 있습니다. Q: 제품 보증에 대해? A: 일반적으로 판매된 제품에 대해 1년 보증을 제공하지만, 장기적인 관계를 유지하기 위해 필요할 경우 평생 서비스를 제공할 수도 있습니다.
사이드 엔트리 믹서 배가스 탈황(FGD)
교반기는 부품으로 FGD(배연탈황) 플랜트의 핵심은 플랜트 전체 운영에 중요한 역할을 합니다.FGD 플랜트는 발전소 및 산업 공정에서 배출되는 배가스에서 이산화황(SO2)을 제거하도록 설계되었습니다.
교반기는 일반적으로 모터, 감속기, 베어링, 교반 샤프트 및 임펠러 등으로 구성되며 다양한 배연 탈황 시스템 및 작동 조건에 적응할 수 있습니다.
제품 세부 정보
| 모터 브랜드 | 선택사양(ABS/SEW/SIEMENS/국내고품질) |
| 감속기 브랜드 | 선택사양(ABS/SEW/FALK/REXNORD/국내 고급) |
| 모터 파워 | 0.37~110KW |
| 다이아.샤프트의 | 30~500mm |
| 샤프트 길이 | 200~30000mm |
| 회전 속도 | 0.2~600rpm |
| 임펠러 | 효율적인 기존 임펠러 |
| 재료 | 탄소강, 니켈 기반 합금, 듀플렉스 및 슈퍼 듀플렉스 강, 티타늄 및 티타늄 합금, 고무 코팅, PO, PE, PP, PTFE |
애플리케이션:
교반기는 배연 탈황 공정에 널리 사용됩니다.예를 들어,
1. 습식 배연 탈황에서 교반기는 탈황제와 배가스를 혼합하는 데 도움을 주어 탈황 효율을 향상시킬 수 있습니다.
2. 건식 배연 탈황에서 교반기는 탈황제를 혼합 및 분산시켜 탈황 효율을 향상시키는 데 도움이 될 수 있습니다.
3. 엔지니어와 기술자가 탈황 공정을 최적화 및 자동화하고 탈황 효율성과 수율을 향상시키는 데 도움이 될 수 있습니다.
4. 탈황제 사용량을 줄이고 탈황비용을 절감하며 환경보호에 기여할 수 있습니다.
귀하의 요구 사항에 따라 믹서를 맞춤 설정할 수 있습니다!
Keheng 교반기 사용 가득 차있는 나무 상자 포장, 후에 측정, 무게 측정, 강화 단계 공장에서는 검사를 위해 특정 항구 창고에 자격을 부여하고 층별 검사를 수행합니다.
Keheng의 해외 배송 방법은 일반적으로 CIF, CFR 또는 FOB이며 고객으로부터 선불금을 받은 후 1개월에서 1개월 반 이내에 상품 배송을 보장합니다.
현장 서비스
KEHENG은 거의 30년의 경험을 가지고 있습니다.우리 회사는 현장 진단 및 수리 서비스를 제공할 수 있습니다.기술 팀은 귀하의 혼합 작업을 지원하기 위해 다양한 현장 유지 관리 옵션을 제공합니다.
설치: 고객 사양에 따르면
현장상담 및 수리: KEHENG은 현장 수리 진단 서비스를 제공합니다.현장에서 문제를 해결할 수 없는 경우 장비를 당사 검사 및 수리 부서로 반송할 수 있습니다.
사전 정비: 모든 기계는 나가기 전에 엄격한 검사를 통과해야 합니다.KEHENG은 혼합 솔루션과 장비의 최고 성능을 보장하기 위해 진단 및 벤치마크 테스트를 제공할 것입니다.
기타 서비스: KEHENG는 귀하의 재건 프로젝트를 위한 새로운 혼합 솔루션과 장비를 제공할 수 있습니다.
수리 서비스
KEHENG은 상단 입구 믹서 드라이브를 수리하기 위한 가장 포괄적인 분석 및 옵션을 제공하며 검사 및 수리 프로그램은 다음을 제공합니다.
1. 신뢰성 및 신뢰성 향상
2. 엄격한 사양을 충족하는 고품질 수리
3. 장비 수명 연장
믹서 드라이브의 모든 부품을 철저하게 청소하고 검사하여 고장의 실제 근본 원인을 파악합니다.수리를 위한 계층화된 옵션과 함께 자세한 보고가 제공됩니다.고객은 자신의 운영 요구에 맞는 적절한 수리를 선택합니다.선택한 수리 옵션에 따라 보증이 제공됩니다.
해결될 수 있는 일반적인 문제는 다음과 같습니다.
1. 기계적 피로
2. 혼란스러운 상황
3. 충격하중
4. 프로세스 변경
5. 임펠러 밸런스
고객 서비스
1. 모든 KEHENG 고객은 판매 전후에 지원과 제안을 받게 됩니다.
2. KEHENG이 제공하는 서비스는 고객이 가장 적합한 제품을 선택할 수 있도록 돕는 것을 목표로 합니다.
3. KEHENG은 계획, 설치, 교육, 문제 제거, 유지 관리 및 수리, 혁신 및 현대화 등 고객이 제품을 올바르게 사용할 수 있도록 돕습니다.
4. KEHENG 제공: 예비 부품 공급, 기술 개발 및 최신 기술, 고객 재고 최적화 및 예비 부품 추천.
기술적 지원
KEHENG는 풍부한 경험과 광범위한 지식을 갖춘 응용 엔지니어로 구성된 전체 직원을 보유하고 있습니다.우리 기술팀은 기술 지원 엔지니어, 제품 설계 및 개발 엔지니어로 구성되어 있습니다.이들은 신속하고 신뢰할 수 있는 서비스와 조언을 제공할 수 있는 전문 지식과 기술을 갖추고 있습니다.그들은 영업 엔지니어와 협력하여 의사소통을 완료할 것입니다.응용 엔지니어는 드라이브 유형, 드라이브 비율, 모터 장착 요구 사항, 드라이브 장착 요구 사항, 기계적 씰 및 모터와 같은 특수 항목, 교반기 샤프트, 임펠러 허브 및 임펠러 블레이드 세부 정보를 지정할 수 있습니다.
필요한 경우, KEHENG은 귀하의 직원이 특정 KEHENG 장비의 특징을 숙지하고 자격을 갖추도록 하기 위해 다음과 같은 교육 및 지침을 지원할 수 있습니다.
1. 운영교육
2. 유지보수 교육
3. 프로세스 교육
JiangSu KeHeng Petrochemical & Electrical Machinery Co., Ltd는 1989년에 설립되었으며 전문 R&D, 설계, 제조 및 설치를 전문으로 하는 하이테크 기업입니다.주로 종사 석유화학 가열로, 폐열 회수 시스템, 발전소 탈황 설비, 폐수 처리 시스템, 믹서 등. 제품은 중국 전역에 판매되며 동남아시아, 유럽, 아프리카, 중동, 일본, 인도, 카자흐스탄, 터키 및 기타 여러 국가로 수출됩니다.
KeHeng은 독립적인 R&D 센터와 완벽한 제품 테스트, 검사 장비. 수년간 끊임없는 혁신을 통해 이상을 수상하였습니다. 30 공익사업 모델 특허와 5 국가특허청의 발명특허. 지금까지 KeHeng 가지다 예를 들어 여러 대기업 및 산업 그룹의 공급망에서 자격을 갖춘 공급업체가 됩니다. 페트로차이나, 시노펙, CNOOC 등.
품질로 시장선점, 기업명성으로 고객 확보
무결성 - 우리의 기반의 기초입니다.개발 - KeHeng의 영원한 추구.
제품 품질
당사의 모든 믹서는 ISO9001 품질 표준에 따라 특수 맞춤형 시설에서 제조되며 제작 시 고품질 구성 요소만 사용됩니다.
주문 설계
우리의 전문 기술 팀은 귀하의 요구 사항에 따라 가장 적합한 믹서를 설계하여 사용 가치를 극대화할 수 있습니다.
P로젝트 M관리
우리는 전담 프로젝트 관리자를 배정하여 제조, 조립 및 품질 관리의 모든 측면이 개별 고객 사양을 충족하도록 진행되도록 합니다.
고객 서비스
모든 KEHENG 고객은 판매 전후에 지원과 제안을 받게 됩니다.고객이 제품을 올바르게 사용할 수 있도록 도와드립니다: PLAN、설치、훈련、문제 제거、유지보수 및 수리、혁신과 현대화.
Q : 무역 회사입니까 아니면 제조업체입니까?
A: 우리는 제조업체입니다.우리 공장은 장쑤성에 있습니다. Q: 교반기와 믹서를 맞춤 설정하는 방법은 무엇입니까? A: 우리에게 응용 프로그램 매개변수를 보내거나 우리가 제공한 양식을 작성하면 우리는 귀하와 귀하의 비즈니스에 가장 적합한 제품을 선택하거나 디자인할 것입니다. Q: 생산 리드타임은 얼마나 되나요? A: 일반적으로 30일입니다.선택할 특정 모터 브랜드가 있는 경우 리드 타임이 다를 수 있습니다. Q: 제품 보증에 대해? A: 일반적으로 판매된 제품에 대해 1년 보증을 제공하지만, 장기적인 관계를 유지하기 위해 필요할 경우 평생 서비스를 제공할 수도 있습니다.