| 가용성 상태: | |
|---|---|
| 수량: | |
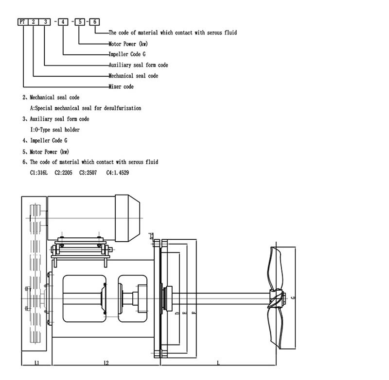
PT-Belt-Type 사이드엔트리 믹서 소개:
배연 탈황 사용: 주로 슬러리 탱크에서 고형물이 굳는 것을 방지하고 슬러리가 다음 공정으로 균일하게 이송될 수 있도록 보장합니다.산화된 공기의 확산을 강화하고 아황산칼슘의 산화, 석고 결정의 성장 및 석회석의 용해를 촉진합니다.이 장비를 사용하면 적은 투자, 편리한 작동, 고효율, 낮은 전력 소비, 매체에서 발생하는 낮은 정전기 및 제품 품질 보장과 같은 많은 이점이 있습니다.
이러한 유형의 믹서는 폐수 처리 및 제지 산업에도 사용할 수 있습니다.
재료
사이드인 교반기 설계시 주의할 점은 무엇입니까?
1. 사이드인형 교반기의 혼합 목적을 결정한다. 액-액 혼합, 고액 현탁, 기액 또는 액-액 분산을 수행하는 경우 열 전달, 흡수, 추출, 용해, 결정화 등 공정 특성에 따라 교반 패들의 종류를 선택합니다.
2. 혼합 작업의 힘(혼합 과정이 수행될 때 필요한 움직임)을 계산합니다.
출력 수준의 계산은 복잡하며 탱크 직경, 슬러리 직경, 블레이드 폭, 각도, 층 수, 점도, 배플 수 및 배플 크기와 관련됩니다.
3. 사이드인형 교반기의 모터 출력을 선택합니다. 효율을 계산한 후 계산된 값은 교반 작동 출력의 1.5배 이상이어야 합니다.
4. 거리의 최소 교반 회전수 결정: 이 회전수는 교반기 샤프트의 임계 회전수가 아니라 혼합을 위한 최소 회전수입니다.
5. 동력 선택에 따라 믹싱 샤프트와 패들의 강성과 강도를 확인하십시오.
6. 감속기를 사용할 경우 감속기의 사용계수와 감속기의 부하능력도 고려해야 합니다.
7. 가는 샤프트의 경우 지지대, 중간 또는 하단 지지대 추가를 고려하십시오.
8, 또한 설치 방법(상단 입구 또는 하단 입구 또는 측면 입구)을 고려하여 이것이 먼저 결정됩니다.
9, 디자인 지원.
10. 사이드인형 교반기는 밀봉되어 있습니다(충전재 또는 기계 밀봉).
Hot Tags: fgd 측면 입력 믹서, 중국 제조 업체, 공급 업체, 공장, 구매, 맞춤형, 견적, 중국 제
PT-Belt-Type 사이드엔트리 믹서 소개:
배연 탈황 사용: 주로 슬러리 탱크에서 고형물이 굳는 것을 방지하고 슬러리가 다음 공정으로 균일하게 이송될 수 있도록 보장합니다.산화된 공기의 확산을 강화하고 아황산칼슘의 산화, 석고 결정의 성장 및 석회석의 용해를 촉진합니다.이 장비를 사용하면 적은 투자, 편리한 작동, 고효율, 낮은 전력 소비, 매체에서 발생하는 낮은 정전기 및 제품 품질 보장과 같은 많은 이점이 있습니다.
이러한 유형의 믹서는 폐수 처리 및 제지 산업에도 사용할 수 있습니다.
재료
사이드인 교반기 설계시 주의할 점은 무엇입니까?
1. 사이드인형 교반기의 혼합 목적을 결정한다. 액-액 혼합, 고액 현탁, 기액 또는 액-액 분산을 수행하는 경우 열 전달, 흡수, 추출, 용해, 결정화 등 공정 특성에 따라 교반 패들의 종류를 선택합니다.
2. 혼합 작업의 힘(혼합 과정이 수행될 때 필요한 움직임)을 계산합니다.
출력 수준의 계산은 복잡하며 탱크 직경, 슬러리 직경, 블레이드 폭, 각도, 층 수, 점도, 배플 수 및 배플 크기와 관련됩니다.
3. 사이드인형 교반기의 모터 출력을 선택합니다. 효율을 계산한 후 계산된 값은 교반 작동 출력의 1.5배 이상이어야 합니다.
4. 거리의 최소 교반 회전수 결정: 이 회전수는 교반기 샤프트의 임계 회전수가 아니라 혼합을 위한 최소 회전수입니다.
5. 동력 선택에 따라 믹싱 샤프트와 패들의 강성과 강도를 확인하십시오.
6. 감속기를 사용할 경우 감속기의 사용계수와 감속기의 부하능력도 고려해야 합니다.
7. 가는 샤프트의 경우 지지대, 중간 또는 하단 지지대 추가를 고려하십시오.
8, 또한 설치 방법(상단 입구 또는 하단 입구 또는 측면 입구)을 고려하여 이것이 먼저 결정됩니다.
9, 디자인 지원.
10. 사이드인형 교반기는 밀봉되어 있습니다(충전재 또는 기계 밀봉).
Hot Tags: fgd 측면 입력 믹서, 중국 제조 업체, 공급 업체, 공장, 구매, 맞춤형, 견적, 중국 제