| 가용성 상태: | |
|---|---|
| 수량: | |
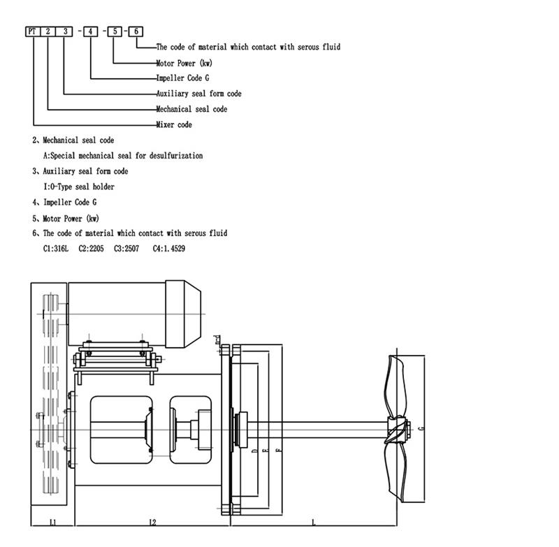
PT-Belt-Type 사이드엔트리 믹서 소개:
배연 탈황 사용: 주로 슬러리 탱크에서 고형물이 굳는 것을 방지하고 슬러리가 다음 공정으로 균일하게 이송될 수 있도록 보장합니다.산화된 공기의 확산을 강화하고 아황산칼슘의 산화, 석고 결정의 성장 및 석회석의 용해를 촉진합니다.이 장비를 사용하면 적은 투자, 편리한 작동, 고효율, 낮은 전력 소비, 매체에서 발생하는 낮은 정전기 및 제품 품질 보장과 같은 많은 이점이 있습니다.
이러한 유형의 믹서는 폐수 처리 및 제지 산업에도 사용할 수 있습니다.
재료
프로그램에 맞게 탈황 측 투입 믹서는 어떻게 설계됩니까?
탈황 측 입력 교반기는 다른 혼합 장비와 다릅니다.다른 혼합 장비와 비교하여 FGD 측면 입구 믹서는 고유한 설계 절차를 가지고 있습니다.아래에서 함께 살펴보도록 하겠습니다.
1. 탈황 측면 입구 교반기를 설계할 때 사용자 장비의 기존 D/DT 값과 혼합 시간 및 교반 정도에 대한 고객의 요구 사항에 따라 여러 가지 속도의 토크 또는 전력 요구 사항을 선택할 수 있습니다.그 중 교반 정도는 물질의 점도 차이, 비중 차이, 뉴턴 유체가 아닌지 여부에 따라 제한됩니다.
2. 적절한 임펠러 설치 높이를 선택하고 장비를 결합하여 대략적인 교반기 샤프트 길이를 추정합니다.
3. 합리적인 모터 출력을 추정합니다.
4, 임펠러 소비 전력, 감속기, 출력 샤프트, 브래킷 등과 같은 기존 성능을 참조하여 처음 세 가지 요구 사항을 충족할 수 있는 교반기를 선택합니다.
5. 블레이드 팁의 팁 속도 등의 조건에 따라 가장 적합한 회전 속도를 결정하고 설계를 최적화하며 결정된 조건에 따라 샤프트 시스템의 역학 및 강도를 확인하고 분석합니다.
Hot Tags: 탈황용 측면 입구 교반기, 중국 제조 업체, 공급 업체, 공장, 구매, 맞춤형, 견적, 중국 제
PT-Belt-Type 사이드엔트리 믹서 소개:
배연 탈황 사용: 주로 슬러리 탱크에서 고형물이 굳는 것을 방지하고 슬러리가 다음 공정으로 균일하게 이송될 수 있도록 보장합니다.산화된 공기의 확산을 강화하고 아황산칼슘의 산화, 석고 결정의 성장 및 석회석의 용해를 촉진합니다.이 장비를 사용하면 적은 투자, 편리한 작동, 고효율, 낮은 전력 소비, 매체에서 발생하는 낮은 정전기 및 제품 품질 보장과 같은 많은 이점이 있습니다.
이러한 유형의 믹서는 폐수 처리 및 제지 산업에도 사용할 수 있습니다.
재료
프로그램에 맞게 탈황 측 투입 믹서는 어떻게 설계됩니까?
탈황 측 입력 교반기는 다른 혼합 장비와 다릅니다.다른 혼합 장비와 비교하여 FGD 측면 입구 믹서는 고유한 설계 절차를 가지고 있습니다.아래에서 함께 살펴보도록 하겠습니다.
1. 탈황 측면 입구 교반기를 설계할 때 사용자 장비의 기존 D/DT 값과 혼합 시간 및 교반 정도에 대한 고객의 요구 사항에 따라 여러 가지 속도의 토크 또는 전력 요구 사항을 선택할 수 있습니다.그 중 교반 정도는 물질의 점도 차이, 비중 차이, 뉴턴 유체가 아닌지 여부에 따라 제한됩니다.
2. 적절한 임펠러 설치 높이를 선택하고 장비를 결합하여 대략적인 교반기 샤프트 길이를 추정합니다.
3. 합리적인 모터 출력을 추정합니다.
4, 임펠러 소비 전력, 감속기, 출력 샤프트, 브래킷 등과 같은 기존 성능을 참조하여 처음 세 가지 요구 사항을 충족할 수 있는 교반기를 선택합니다.
5. 블레이드 팁의 팁 속도 등의 조건에 따라 가장 적합한 회전 속도를 결정하고 설계를 최적화하며 결정된 조건에 따라 샤프트 시스템의 역학 및 강도를 확인하고 분석합니다.
Hot Tags: 탈황용 측면 입구 교반기, 중국 제조 업체, 공급 업체, 공장, 구매, 맞춤형, 견적, 중국 제